Email - autocd@autocd.biz WhatsUp! +79055578202
main  |  news  |  FAQ  |  place your order  |  feedback
ENTER
  login:    password:     

Books       

 global search
 REGISTRATION  Forgot your password?  Unsubscribe news
Перейти на русскоязычную версию сайта Auto CD
All Catalogues
Place Your Order
 Brand list
 Cars Spare Parts
 Lorry, Buses Parts
 OEM Cars Parts
 OEM Lorry Parts
 Cars Manuals
 Lorry Manuals
 Lift Trucks Parts
 ForkLift Manuals
 Agriculture Parts
 Agriculture Manuals
 Cranes Parts
 Cranes Manuals
 Heavy Technics
 Heavy Manuals
 Engines Parts
 Engines Manuals
 Bikes, ATV Parts
 Outboards Parts
 Bikes Manuals
 Boats Manuals
 Diagnostic
 VMware sets
 Europe
 Asia
 USA
 Japan
 China
Price lists
Activation keys
search
      everywhere
 Forum
 For Print
 Site Map

Lexus GS 300 :

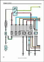
The program Lexus GS 300, 1993-2006, contains the detailed and full description of repair and diagnostics of all units of the automobile, including detailed electric schemes, the moments of inhalings, process of assembly and disassembly of the engine and other units and units, body sizes for an extract of a body, detailed repair transmission automatic and manual, repair of coupling, steering management, the conditioner, all electric components and blocks of the management, the necessary special tool, and as other information. Collision Repair Manual. TSB.


 
 

50 EURO

ADD to CART

BACK to CATALOGUE

Screenshots
(You can click on the thumbnails for large view)

Click to view big picture in popup. Click to view big picture in popup. Click to view big picture in popup. Click to view big picture in popup.

Conflict Lexus GS 300 with other catalogues:

No conflicts found

 Region:   USA
 Languages:  English
 OS:  VISTA, Win7 x32, Win98, Windows 8/10 x64, WinJapan, WinNT, WinXP
 Quantity of CD:  1 DVD
 Data of update:  9/2006
 Price:  50 Euro




May we suggest also: ( total 4 catalogs )

N NAME REGION LANGUAGE VALUE DATE PRICE

1

Lexus LS 460
2006->, Repair Manuals, Lexus LS460 Electrical wiring diagrams, TBS, NCF, OM.
Repair manual
USAEnglish1 DVD 9/200650 EURO

2

Lexus RX 350 / RX 330 / RX 300 (GSU35, MCU35, MCU38) RUS
02/2003-->11/2008, Service Manuals and Repair Manuals - full repair information, color wiring diagrams, body dimension.
Repair manual
EuropeRussian1 CD1/201150 EURO

3

Lexus LS 460 / LS 460L (USF40, USF41, USF45, USF46) RUS
9.2006->, Lexus Sercive Manual, Lexus Repair Manual, Lexus Electrical wiring diagrams, TBS, NCF, OM.
Repair manual
EuropeRussian1 CD10/201150 EURO

4

Lexus GS 460 / GS430 / GS300 (URS190 UZS190 GRS190)
01/2005-->08/2008, full repair information, body work, wiring diagrams. Color Wiring Diagrams.
Repair manual
EuropeEnglish1 CD1/201150 EURO

designed by creative-bureau DONE Any questions or comments please send to: autocd@autocd.biz