Email - autocd@autocd.biz WhatsUp! +79055578202
main  |  news  |  FAQ  |  place your order  |  feedback
ENTER
  login:    password:     

Books       

 global search
 REGISTRATION  Forgot your password?  Unsubscribe news
Перейти на русскоязычную версию сайта Auto CD
All Catalogues
Place Your Order
 Brand list
 Cars Spare Parts
 Lorry, Buses Parts
 OEM Cars Parts
 OEM Lorry Parts
 Cars Manuals
 Lorry Manuals
 Lift Trucks Parts
 ForkLift Manuals
 Agriculture Parts
 Agriculture Manuals
 Cranes Parts
 Cranes Manuals
 Heavy Technics
 Heavy Manuals
 Engines Parts
 Engines Manuals
 Bikes, ATV Parts
 Outboards Parts
 Bikes Manuals
 Boats Manuals
 Diagnostic
 VMware sets
 Europe
 Asia
 USA
 Japan
 China
Price lists
Activation keys
search
      everywhere
 Forum
 For Print
 Site Map

Massey Ferguson Tractors 4400 series :

Workshop Service Manual for Massey Ferguson Tractors 4400 series

MF 4400 Series Tractors Workshop Service Manual - 1857618
MF 4400 Series Tractors Operator Instruction Book - 1857618Z


 
 

25 EURO

ADD to CART

BACK to CATALOGUE

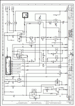
Screenshots
(You can click on the thumbnails for large view)

Click to view big picture in popup. Click to view big picture in popup. Click to view big picture in popup. Click to view big picture in popup.

Conflict Massey Ferguson Tractors 4400 series with other catalogues:

No conflicts found

 Region:   All regions
 Languages:  English, German
 OS:  VISTA, Win7 x32, Win98, Windows 8/10 x64, WinJapan, WinNT, WinXP
 Quantity of CD:  1 CD
 Data of update:  6/2009
 Price:  25 Euro




May we suggest also: ( total 4 catalogs )

N NAME REGION LANGUAGE VALUE DATE PRICE

1

Massey Ferguson Tractors 4300 series
Workshop Service Manual for Massey Ferguson Tractors 4300 series, PDF
Repair manual
All regionsEnglish, German1 CD6/200950 EURO

2

Massey Ferguson Tractors 4200 series
Workshop Service Manual for Massey Ferguson Tractors 4200 series, PDF
Repair manual
All regionsEnglish, German1 CD6/200925 EURO

3

Massey Ferguson 9220 / 9420 / 5230 / 5240 / 5260 Windrower
Workshop Service Manual for Massey Ferguson 9220 / 9420 / 5230 / 5240 / 5260 Windrower, PDF
Repair manual
All regionsEnglish1 CD6/201125 EURO

4

Massey Ferguson Compact Tractors 1160 - 1165 - 1180 - 1190 series
Workshop Service Manual for Massey Ferguson Tractors MF 1160 - 1165 - 1180 - 1190 series, PDF
Repair manual
All regionsEnglish1 CD6/200925 EURO

designed by creative-bureau DONE Any questions or comments please send to: autocd@autocd.biz