Email - autocd@autocd.biz WhatsUp! +79055578202
main  |  news  |  FAQ  |  place your order  |  feedback
ENTER
  login:    password:     

Books       

 global search
 REGISTRATION  Forgot your password?  Unsubscribe news
Перейти на русскоязычную версию сайта Auto CD
All Catalogues
Place Your Order
 Brand list
 Cars Spare Parts
 Lorry, Buses Parts
 OEM Cars Parts
 OEM Lorry Parts
 Cars Manuals
 Lorry Manuals
 Lift Trucks Parts
 ForkLift Manuals
 Agriculture Parts
 Agriculture Manuals
 Cranes Parts
 Cranes Manuals
 Heavy Technics
 Heavy Manuals
 Engines Parts
 Engines Manuals
 Bikes, ATV Parts
 Outboards Parts
 Bikes Manuals
 Boats Manuals
 Diagnostic
 VMware sets
 Europe
 Asia
 USA
 Japan
 China
Price lists
Activation keys
search
      everywhere
 Forum
 For Print
 Site Map

Komatsu Hydraulic Excavator PC290LC-7, PC290NLC-7 :

Komatsu PC290LC-7, PC290NLC-7 Workshop Manual


 
 

25 EURO

ADD to CART

BACK to CATALOGUE

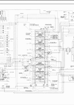
Screenshots
(You can click on the thumbnails for large view)

Click to view big picture in popup. Click to view big picture in popup. Click to view big picture in popup. Click to view big picture in popup.

Conflict Komatsu Hydraulic Excavator PC290LC-7, PC290NLC-7 with other catalogues:

No conflicts found

 Region:   All regions
 Languages:  English
 OS:  VISTA, Win7 x32, Win98, Windows 8/10 x64, WinJapan, WinNT, WinXP
 Quantity of CD:  1 CD
 Data of update:  10/2008
 Price:  25 Euro




May we suggest also: ( total 6 catalogs )
SHOW ALL SPARE PARTS CATALOGS and REPAIR SOFTWARE FOR THIS MANUFACTURER


N NAME REGION LANGUAGE VALUE DATE PRICE

1

Komatsu Hydraulic Excavator PC290LC-10
Komatsu Hydraulic Excavator PC290LC-10 Workshop Manual
Repair manual
All regionsEnglish1 CD2/201225 EURO

2

Komatsu Hydraulic Excavator PC250-6, PC250LC-6
Workshop Manual for Komatsu Hydraulic Excavator PC250-6, PC250LC-6
Repair manual
All regionsEnglish1 CD10/200825 EURO

3

Komatsu Hydraulic Excavator PC270-8, PC270LC-8
Komatsu Hydraulic Excavator PC270-8, PC270LC-8 Shop Manuals
Repair manual
All regionsEnglish1 CD8/201125 EURO

4

Komatsu Hydraulic Excavator PC290LC-6K, PC290NLC-6K
Komatsu Hydraulic Excavator PC290LC-6K, PC290NLC-6K Workshop Manual
Repair manual
All regionsEnglish1 CD10/200825 EURO

5

Komatsu Hydraulic Excavator PC228US-3, PC228USLC-3
Komatsu Hydraulic Excavator PC228US-3, PC228USLC-3 Workshop Manual
Repair manual
All regionsEnglish1 CD10/200825 EURO

designed by creative-bureau DONE Any questions or comments please send to: autocd@autocd.biz