Email - autocd@autocd.biz WhatsUp! +79055578202
main  |  news  |  FAQ  |  place your order  |  feedback
ENTER
  login:    password:     

Books       

 global search
 REGISTRATION  Forgot your password?  Unsubscribe news
Перейти на русскоязычную версию сайта Auto CD
All Catalogues
Place Your Order
 Brand list
 Cars Spare Parts
 Lorry, Buses Parts
 OEM Cars Parts
 OEM Lorry Parts
 Cars Manuals
 Lorry Manuals
 Lift Trucks Parts
 ForkLift Manuals
 Agriculture Parts
 Agriculture Manuals
 Cranes Parts
 Cranes Manuals
 Heavy Technics
 Heavy Manuals
 Engines Parts
 Engines Manuals
 Bikes, ATV Parts
 Outboards Parts
 Bikes Manuals
 Boats Manuals
 Diagnostic
 VMware sets
 Europe
 Asia
 USA
 Japan
 China
Price lists
Activation keys
search
      everywhere
 Forum
 For Print
 Site Map

Hino Workshop Manual 500 Series FC4J, FD1J, GD1J, FG1J, GH1J, GL1J, FM1J, FT1J, GT1J with J05C-TI, J08C-TI engine (S1-YFCE17B) AUSTRALIA :

Hino Workshop Manual 500 Series

This workshop manual has been prepared to provide information on electrical circuits for the following Hino Vehicles.
Applicable for FC4J, FD1J, GD1J, FG1J, GH1J, GL1J, FM1J, FT1J, GT1J with J05C-TI, J08C-TI engine
Chassis Workshop Manual S1-YFCE17B

As for maintenance items, refer to the Owner’s Manual.
All information and specifications in this manual are based upon the latest product information available at the time of printing.
Hino Motors reserves the right to make changes at any time without prior notice.
Please note that the publications below have also been prepared as relevant service manuals for the components and systems in this vehicles.


 
 

100 EURO

ADD to CART

BACK to CATALOGUE

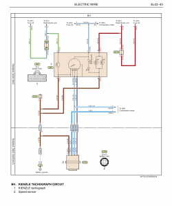
Screenshots
(You can click on the thumbnails for large view)

Click to view big picture in popup. Click to view big picture in popup. Click to view big picture in popup. Click to view big picture in popup.
Click to view big picture in popup.  

Conflict Hino Workshop Manual 500 Series FC4J, FD1J, GD1J, FG1J, GH1J, GL1J, FM1J, FT1J, GT1J with J05C-TI, J08C-TI engine (S1-YFCE17B) AUSTRALIA with other catalogues:

No conflicts found

 Region:   Australia
 Languages:  English
 OS:  VISTA, Win7 x32, Win7 x64, Win98, Windows 8/10 x64, WinJapan, WinNT, WinXP
 Quantity of CD:  1 CD
 Data of update:  1/2017
 Price:  100 Euro




May we suggest also: ( total 17 catalogs )
SHOW ALL SPARE PARTS CATALOGS and REPAIR SOFTWARE FOR THIS MANUFACTURER


N NAME REGION LANGUAGE VALUE DATE PRICE

1

Hino Workshop Manual 2013 - 155, 155h, 195, 195h Series USA market
Chassis workshop manuals Hino 155, 195 Series, HINO Wiring Diagrams
Repair manual
USAEnglish1 CD1/201350 EURO

2

Hino Workshop Manual 2012 - 238, 258LP, 268, 338 series USA market
Chassis workshop manuals - 238, 258LP, 268, 338 series. Engines workshop manuals - J08E-VB and J08E-VC. HINO wiring Diagrams.
Repair manual
USAEnglish1 CD8/201250 EURO

3

Hino Workshop Manual 2005 - 145, 165, 185, 238, 268, 338
Chassis workshop manuals - 145, 165, 185, 238, 268, 338. Engines workshop manuals - J05D-TA, J08E-TA, TB.
Repair manual
USAEnglish1 CD1/200650 EURO

4

Hino Workshop Manual 2009 - 145, 165, 185, 238, 258LP, 268, 338, HTML
Chassis workshop manuals - 145, 165, 185, 238, 258LP, 268, 338. Engines workshop manuals - J05D-TF, J08E-TV, J08E-TW.
Repair manual
USAEnglish1 CD1/200950 EURO

5

Hino Workshop Manual 500 Series FM1A, FM8J and GH8J with A09C and J08E engine (S1-MFME05B) RUSSIA
Chassis workshop manuals Hino 500 Series - Applicable for FM1A, FM8J and GH8J series, equipped with J08E engine. For Russia Market.
Repair manual
AsiaEnglish1 CD7/2019100 EURO

designed by creative-bureau DONE Any questions or comments please send to: autocd@autocd.biz