Email - autocd@autocd.biz WhatsUp! +79055578202
main  |  news  |  FAQ  |  place your order  |  feedback
ENTER
  login:    password:     

Books       

 global search
 REGISTRATION  Forgot your password?  Unsubscribe news
Перейти на русскоязычную версию сайта Auto CD
All Catalogues
Place Your Order
 Brand list
 Cars Spare Parts
 Lorry, Buses Parts
 OEM Cars Parts
 OEM Lorry Parts
 Cars Manuals
 Lorry Manuals
 Lift Trucks Parts
 ForkLift Manuals
 Agriculture Parts
 Agriculture Manuals
 Cranes Parts
 Cranes Manuals
 Heavy Technics
 Heavy Manuals
 Engines Parts
 Engines Manuals
 Bikes, ATV Parts
 Outboards Parts
 Bikes Manuals
 Boats Manuals
 Diagnostic
 VMware sets
 Europe
 Asia
 USA
 Japan
 China
Price lists
Activation keys
search
      everywhere
 Forum
 For Print
 Site Map

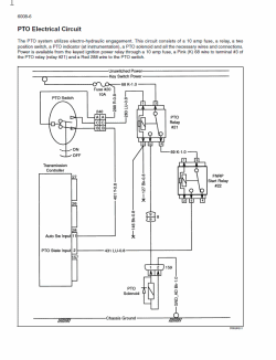
STX280, STX330, STX380, STX430, STX480, STX530 Tractors :

Case Tractors STX280, STX330, STX380, STX430, STX480, STX530 workshop service manual.

CASE STX/STEIGER 280/330/380/430/480/530 SERIES TRACTORS MASTER TABLE OF CONTENTS
NOTE: Engine repair information is not contained within this tractor Repair Manual. For engine repair, refer to appropriate engine repair manual as follows:
87515687 - For 8.3 & 9.0L 6 Cylinder, 24 Valve CNH Engine with High Pressure Common Rail Fuel System.
87523642 - For 12.9L 6 Cylinder, Engine.


 
 

25 EURO

ADD to CART

BACK to CATALOGUE

Screenshots
(You can click on the thumbnails for large view)

Click to view big picture in popup. Click to view big picture in popup. Click to view big picture in popup. Click to view big picture in popup.

Conflict STX280, STX330, STX380, STX430, STX480, STX530 Tractors with other catalogues:

No conflicts found

 Region:   All regions
 Languages:  English
 OS:  VISTA, Win7 x32, Win7 x64, Win98, Windows 8/10 x64, WinJapan, WinNT, WinXP
 Quantity of CD:  1 CD
 Data of update:  1/2014
 Price:  25 Euro




May we suggest also: ( total 19 catalogs )
SHOW ALL SPARE PARTS CATALOGS and REPAIR SOFTWARE FOR THIS MANUFACTURER


N NAME REGION LANGUAGE VALUE DATE PRICE

1

Case CX16B and CX18B Mini Excavators
workshop service manuals for Case Mini Excavators CX16B and CX18B, 636 pages, PDF
Repair manual
All regionsEnglish1 CD1/200450 EURO

2

Case 430 Skid Steers
electronic spare parts catalog for CASE 430 Skid Steer Loader, 1300 pages, PDF
Parts catalogue
All regionsEnglish1 CD5/200510 EURO

3

Rock Breakers - Hydraulic Hammers CB Series
workshop service manuals for CASE Rock Breakers TCB series
Repair manual
All regionsEnglish, German1 CD1/201425 EURO

4

Case IH North America
PowerView, spare parts catalog for CASE agriculture machines.
Parts catalogue
USAEnglish2 DVD 6/2009100 EURO

5

Case 4BG1T, 4JB1, 6HK1T, 6SD1T, 6WG1T, BB-4BG1T, BB-6BG1T, F4BE0484E, F4BE0484E, F4BE0684B, F4BE0684D, F4GE0454C, F4GE0484G, F4GE0484E, F4GE0684F, F4HE0684J
workshop service manuals for CASE Engines 4BG1T, 4JB1, 6HK1T, 6SD1T, 6WG1T, BB-4BG1T, BB-6BG1T, F4BE0484E, F4BE0484E, F4BE0684B, F4BE0684D, F4GE0454C, F4GE0484G, F4GE0484E, F4GE0684F, F4HE0684J
Repair manual
All regionsEnglish1 CD1/201450 EURO

designed by creative-bureau DONE Any questions or comments please send to: autocd@autocd.biz